

【产品简介】
本品为1000mm直径,一层两出口不锈钢三次元旋振筛,子母网分离式网架,与物料接触部分为304不锈钢,底座为碳钢材质。
免费获取报价
全国统一销售热线
1000型单层旋振筛直径为100mm,单层筛网,两个出料口,产量为1400kg/时,主要用于物料的除杂。

1000单层旋振筛采用YZUL立式振动电机作为激振源,通过振动电机上下两端的偏心重锤将旋转运动转变为水平、垂直、倾斜的三次元运动,并传递到旋振筛的筛面上;物料通过入料口进入设备内,根据不同物料筛分要求,物料经过1-5层采用不同目数的金属编织筛网的筛分层,在这个过程中,位于各层的筛网下的清网装置(弹跳球)通过频率振动不断撞击不锈钢筛网,使筛网上层物料能够顺畅的透网筛分,并有效解决了物料堵网问题出现,不同目数的物料通过各层对应目数的筛网后在各层的出料口排出,终实现筛选除杂或过滤分级的目的。
1000单层旋振筛技术参数
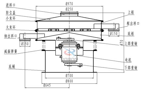
1000单层旋振筛外形尺寸表

1000单层旋振筛结构展示:

1000单层旋振筛适用的行业
化工行业:树脂、涂料、工业药品、化妆品、油漆、中药粉等。
食品行业:糖粉、淀粉、食盐、米粉、奶粉、豆浆、蛋粉、酱油、果汁等。
金属、冶金矿业:铝粉、铅粉、铜粉、矿石、合金粉、焊条粉末、二氧化锰、电解铜粉、电磁性材料、研磨粉、耐火材料、高岭土、石灰、氧化铝、重质碳酸钙、石英砂等。
公害处理:废油、废水、染整废水、助剂、活性碳等

1000单层旋振筛的特点
1、体积小、重量轻、移动方便、出料口方向可任意调整,粗、细料自动排出,可自动化或人工作业。
2、筛分精度高、效率高,粉、粒、粘液类均可使用。
3、筛网不阻塞、粉末不飞扬、筛分细可达500目(28微米)过滤细可达5微米。
4、独特网架设计(子母式)、筛网使用长久、换网方便、仅需3—5分钟、操作简单、清洗方便。
5、无机械动作、保养简易、可单层或多层使用、与物料接触部位为用不锈钢制作(医药用除外)。
6、独特网架设计,有效缩短换网时间、解决网目堵塞及凹陷问题,清洗方便,操作简单。
7、密封性好,粉末不飞扬,液体不渗漏。
8、物料自动排出,可以连续作业。
9、采用直立式振动电机,无机械传动,使激振力传递过程无损耗,有效传递至筛面。
“大汉”1000单层旋振筛换网图示:

1000单层旋振筛的使用注意事项
1、必须均匀给料:给料量以满足设备处理为准。一次投料过多,阻碍物料在筛面上的正常运动,不但易使筛网疲劳变松,而且会大大降低物料处理量。 一次性给予大量物料,会使本身处于不平衡运转的电机负荷骤然增加,而造成电机损坏、减低电机的寿命。如给料量达不到设备的处理能力,即浪费能源,又降低了 产量。
2、有强大冲击力的给料方式,必须加装缓冲料斗,物料直接冲击网面,不但消耗振动源所产生的激振力,更易造成网面破损及筛网疲劳,而影响产量及筛分.过滤的质量。
3、如筛分物料有腐蚀性,使用过后请及时清理干净。
4、请经常观看工作网是否变松,请再次使网绷紧。
您可能还需要了解:
奶粉的筛选离不开振动筛设备,一般厂家建议选择不锈钢旋振筛...
筛分面粉一般选择的振动筛是不锈钢旋振筛,而其价格一直是用...
大汉医药不锈钢旋振筛价格: 500045000 医药不锈钢旋振筛整机采...
不锈钢旋振筛采用304不锈钢材质,耐磨性、耐腐蚀性能好,筛分...
Copyright ? 2007-2020 新乡市大汉振动机械有限公司 版权所有
All Rights Reserved 备案序号:豫ICP备09002479号-15