
【产品简介】
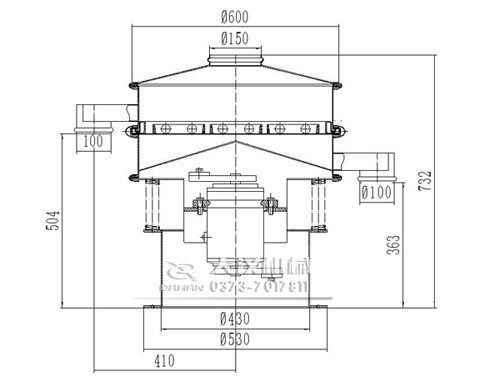
本品为直径600mm单层两出口碳钢材质三次元旋振筛,子母网分离式网架结构,整机为碳钢材质,整机喷漆。
免费获取报价
全国统一销售热线
关于“600型旋振筛”
600型旋振筛是一种高精度细粉筛分机械,工作原理是由直立式电机作激振源,电机上、下两端安装有偏心重锤,将电机的旋转运动转变为水平、垂直、倾斜的三次元运动,再把这个运动传递给筛面。调节上、下两端的相位角,可以改变物料在筛面上的运动轨迹,由于其振动运转原理很多企业也称之为“三次元振动筛分过滤机”,根据外形结构被部分客户称呼为圆形筛,从材质上分标准型旋振筛和普通型旋振筛的,标准型的与物料接触部分为304不锈钢材质,底座为碳钢材质,普通型的通体为普碳钢材质。
"大汉"DH系列三次元旋振筛产品,经客户多年使用,获得大量的一线反馈建议,在自有成熟的筛机制造技术基础上,大汉机械工程师以满足客户需求为标准,多次技术改进,筛分效果更好,采用新型动力激振器,三维动力更加突出,适用范围更加广泛,大汉机械公司可根据客户需求设计特殊型号,无论物料是干是湿,是精细是粗糙,是比重大是比重轻,0-400目都可以筛选,不管是液态的,还是浆状的0-600目都可以过滤."大汉"旋振筛系列产品同时配备专门的筛网清理装置,把堵网率降到低,过网率和处理精度得以有效提高."大汉"具备特殊型号制造的能力让顾客对"大汉"有更多的选择.
"大汉"600型旋振筛的特点:
☆ 效率高、设计精巧耐用,粉类、粘液均可筛分。
☆ 换网容易、操作简单、清洗方便。
☆ 网孔不堵塞、粉末不飞扬、可筛至400目或0.028mm。
☆ 杂质、粗料自动排出,可以连续作业。
600型旋振筛适用的行业

600型旋振筛结构原理示意图

600型旋振筛外形尺寸表

600型旋振筛产品特点
1、效率高、设计精巧耐用,精类、粘液均可筛分。
2、换网容易、操作简单、清洗方便。
3、网孔不堵塞、粉末不飞扬、可筛至500目或0.028mm。
4、杂质粗料自动排出,可以连接作业。
5、独特网架设计,筛网使用时间长久,换网快,只需3-5分钟。
6、体积小,节省空间、移动方便。
7、筛网高可以达到五层。
2.设备出厂前已将筛网装妥,使用过程中的筛网更换可自己更换。
3.开机前,应先检查各压紧螺栓的紧固程度,及各料口的位置是否与接料器对正,并观察振动电机是否能正常转动及弹簧受力有无阻碍,检查各层筛网是否压紧。
4.当旋振筛接入电气控制盘之前,应首先对电气控制盘进行检查。线路接通后观察振动电机旋转方向是否是顺时针方向, (备注:否则应改变相序)运转是否正常,有无异噪声。
5.调节振动电机上下偏心块的相位角,以适应各种物料筛分情况。
600型旋振筛售后服务:

您可能还可能了解:
目前业内报价相对透明,价格的构成主要是由三个因素决定:...
淀粉旋振筛价格: 4000-37000元 ,其价格主要有以下几个因素决定...
河南省新乡市作为振动筛厂家集聚地,分布有百余家的厂家,哪...
河南省新乡市作为振动筛厂家集聚地,分布有百余家的厂家,哪...
Copyright ? 2007-2020 新乡市大汉振动机械有限公司 版权所有
All Rights Reserved 备案序号:豫ICP备09002479号-15